300 kVA Pad Mount Transformer-12.47/0.48 kV|ארה"ב 2024
קיבולת: 300kVA
מתח: 12.47/0.48kV
תכונה: מיכל נירוסטה

חדשנות ירוקה, חלוץ-חיסכון באנרגיה-תלת-רפידת-שנאים, המובילים את עידן הכוח בר-קיימא!
01 כללי
1.1 רקע הפרויקט
שנאי רפיד 300 kVA נמסר לאמריקה בשנת 2024. ההספק הנקוב של השנאי הוא 300 kVA עם קירור ONAN. המתח הראשוני הוא 12.47GrdY/7.2 kV עם ±2*2.5% טווח הקשה (NLTC), המתח המשני הוא 0.48/0.277 kV, הם יצרו קבוצה וקטורית של YNyn0, היתרונות הם איכות מתח גבוהה, נקודה ניטרלית לא נסחפת, קופסה לא מתחממת, רעש נמוך, הגנה טובה מפני ברקים. זהו שנאי הזנת לולאה ושנאי קדמי מת. ניתן להשתמש בשנאי רפידה בתוך או בחוץ, בשימוש נרחב בפארקים תעשייתיים, אזורי מגורים, מרכזים מסחריים ובניינים גבוהים-ומקומות אחרים.
ראוי להזכיר כי נוזל הקירור הדיאלקטרי בשנאי משתמש בשמן מינרלי חדש מעודן מאוד מסוג II. כידון עם נתיכים מגבילי זרם. ערכת ההגנה מפני זרם יתר במתח גבוה- המסופקת עם השנאי היא מכלול נתיך רשת -O-ניתן להסרה חיצונית של פריצת עומסים עם שסתום דש כדי למזער שפיכת שמן. נתיכים של הכידון נמצאים בסדרה עם נתיכים של ELSP תחת-שמן חלקי-הגבלת זרם מגביל-נתיכים עם דירוג מפריע של 50,000 אמפר סימטרי RMS המפריעים עם זרם התכה מינימלי של כ-200% מהדירוג של לוחית השם של השנאי.
1.2 מפרט טכני
מפרט שנאי 300 kVA סוג וגיליון נתונים
|
נמסר ל
אמריקה
|
|
שָׁנָה
2024
|
|
סוּג
שנאי מותקן על רפידות
|
|
תֶקֶן
IEEE Std C57.12.34-2022
|
|
כוח מדורג
300KVA
|
|
תֶדֶר
60 הרץ
|
|
שָׁלָב
3
|
|
לְהַאֲכִיל
לוּלָאָה
|
|
חֲזִית
מֵת
|
|
סוג קירור
אונן
|
|
מתח ראשוני
12.47GRDY/7.2 KV
|
|
מתח משני
0.48/0.277 KV
|
|
חומר מתפתל
אֲלוּמִינְיוּם
|
|
תזוזה זוויתית
YNyn0
|
|
עַכָּבָּה
4%
|
|
הקש על מחליף
NLTC
|
|
טווח הקשה
±2*2.5%
|
|
ללא אובדן עומס
0.45KW
|
|
על אובדן עומס
2.925KW
|
|
אביזרים
תצורה סטנדרטית
|
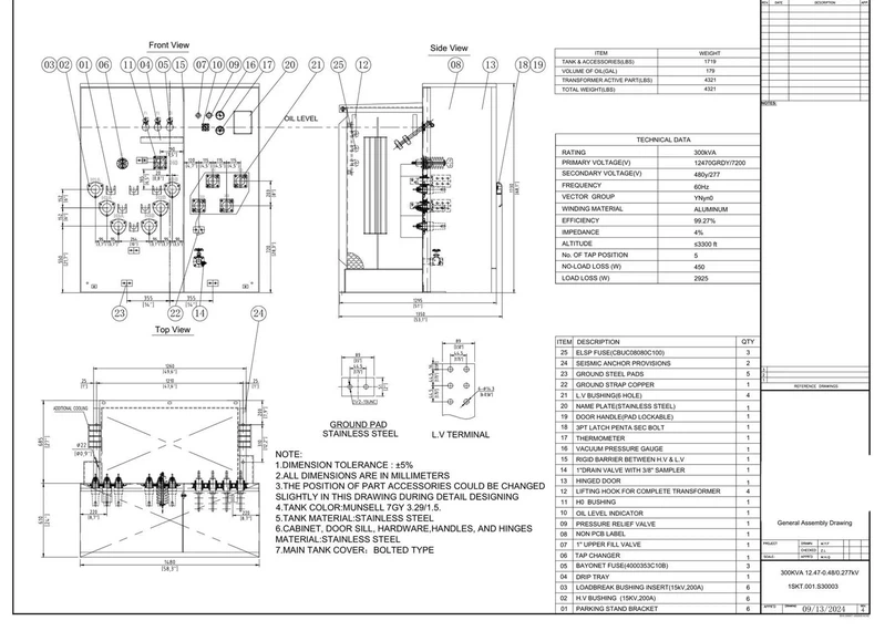
1.3 שרטוטים
שרטוט דיאגרמת שנאי 300 kVA רפידה וגודל.
![]() |
![]() |
02 ייצור
2.1 ליבה
היתרונות של הליבה של שלושת-שלב חמישי-
סימטריה גבוהה של מעגל מגנטי:משפר את איזון התלת-שלבי.
ביצועי מעגל קצרים-מצוינים:עמידות חזקה לקצרים עם רוויה מגנטית נמוכה.
מבנה מכני חזק:השילוב של לוחות קשירה והתקני הידוק מבטיח אמינות תפעולית לטווח ארוך-.
פונקציית התקני הידוק: אבטח את הליבה ומונע מיריעות פלדת הסיליקון להתרופף; לתמוך במשקל הליבה והפיתולים.
פונקצית צלחות קשירה: הדק את התקני ההידוק העליונים והתחתונים באמצעות ברגים, ספק לחץ לרוחב ומניעת התרופפות הליבה.

2.2 סלילה

הסליל מבודד עם B-שלב, מצופה אפוקסי, דפוס יהלום, נייר מבודד, אשר נרפא תרמית בלחץ כדי להבטיח הדבקה נכונה של המוליך והנייר. הסליל עבר עיבוד ואקום כדי להבטיח חדירת נוזל בידוד מרבית למערכת בידוד הסליל. השילוב של פיתול רדיד-מתח נמוך ופיתול חוט-במתח גבוה משיג אובדן עומס נמוך ועכבת מעגל קצר-, ועומד בדרישות עומס מגוונות. מבטיח בידוד חשמלי בין מתח גבוה-לפיתולי מתח- נמוך, ומשפר את הבטיחות. היציבות המכנית של פיתול נייר הכסף ואמינות הבידוד של פיתול החוט משפרים את חייו התפעוליים של השנאי. עמידות חזקה בפני קצרים ורעידות הופכת אותו למתאים לסביבות הפעלה קשות.
2.3 טנק
מיכל השנאי עשוי מפלדת אל חלד 304, בסיס המיכל נועד לאפשר החלקה או גלגול לכל כיוון. אמצעי הרמה מורכבים מארבעה זיזי הרמה מרותכים למיכל. השנאי מאמץ מבנה מיכל אטום בעל חוזק מספיק כדי לעמוד בלחץ של 7 psig ללא עיוות קבוע, ו-15 psig מבלי להיקרע או להשפיע על אבטחת הארון.
המיכל כולל מכשיר לשחרור לחץ כאמצעי להורדת לחץ מעבר ללחץ הנובע מפעולה רגילה. מאפייני האוורור והאטימה יהיו כדלקמן:
א. לחץ פיצוח: 10psig ± 2psig.
ב. לחץ אטימה חוזרת: מינימום 6psig.
ג. אפס דליפה מלחץ איטום חוזר ל-8psig.
ד. זרימה ב-15 psig: מינימום 35 SCFM.

2.4 הרכבה סופית

התקנת רכיבי ליבה:
תקן את הליבה והפיתולים לתוך מיכל השמן, חבר כבלי מתח גבוה- ונמוך-, והתקן רכיבי בידוד ומיגון כדי להבטיח חיבורים חשמליים אמינים.
התקנת אביזרים:
התקן אביזרים כגון מד מפלס השמן, מד טמפרטורה וסנפירי קירור. חבר את תיבת המסוף ויחידות הבקרה, השלמת התקנת התקני הגנה.
מארז ואיטום:
התקן את מארז המתכת כדי לאטום את מיכל השמן, לבדוק ולאטום חיבורים כדי להבטיח עמידות בפני לחות ודליפות.
בדיקה ומילוי שמן:
בצע בדיקות ביצועים חשמליות ומכניות, מלא את מיכל השמן בשמן בידוד, הסר בועות וערוך בדיקת אטימות- של גז.
03 בדיקה
|
לֹא. |
פריט בדיקה |
יְחִידָה |
קַבָּלָה ערכים |
ערכים נמדדים |
מַסְקָנָה |
|
1 |
מדידות התנגדות |
% |
שיעור אי איזון התנגדות מרבי |
0.37 |
לַעֲבוֹר |
|
2 |
מבחני יחס |
% |
סטיית יחס המתח בהקשה הראשית: פחות או שווה ל-0.5% |
-0.05 |
לַעֲבוֹר |
|
3 |
מבחני שלב-קשר |
/ |
YNyn0 |
YNyn0 |
לַעֲבוֹר |
|
4 |
ללא-הפסדי עומס וזרם עירור |
% |
I0 :: לספק ערך מדוד |
0.28 |
לַעֲבוֹר |
|
קילוואט |
P0: לספק ערך נמדד (ב-20 מעלות) |
0.412 |
|||
|
/ |
הסובלנות ללא אובדן עומס היא ±10% |
/ |
|||
|
5 |
הפסדי עומס, מתח עכבה, סך הפסדים ויעילות |
/ |
t:85 מעלות הסובלנות לעכבה היא ±7.5% הסובלנות לאובדן עומס כולל הוא ±6% |
/ |
לַעֲבוֹר |
|
% |
Z%: ערך נמדד |
3.86 |
|||
|
קילוואט |
Pk: ערך נמדד |
2.822 |
|||
|
קילוואט |
Pt: ערך נמדד |
3.234 |
|||
|
% |
יעילות לא פחות מ-99.27% |
99.30 |
|||
|
6 |
בדיקת מתח יישומי |
/ |
HV: 34kV 60s LV: 10kV 60s |
לא מתרחשת קריסה של מתח הבדיקה |
לַעֲבוֹר |
|
7 |
בדיקת עמידה במתח מושרה |
/ |
מתח מופעל (KV):0.96 |
לא מתרחשת קריסה של מתח הבדיקה |
לַעֲבוֹר |
|
משך(ים):48 |
|||||
|
תדר (HZ): 150 |
|||||
|
8 |
מדידת התנגדות בידוד |
GΩ |
HV-LV לקרקע: |
85.3 |
/ |
|
LV-HV לקרקע: |
95.2 |
||||
|
HV&LV לקרקע: |
90.1 |
||||
|
9 |
בדיקת דליפה |
/ |
לחץ מופעל: 20kPA |
אין דליפה ולא נֵזֶק |
לַעֲבוֹר |
|
משך: 12 שעות |
|||||
|
10 |
בדיקת שמן |
kV |
חוזק דיאלקטרי |
56.9 |
לַעֲבוֹר |
|
מ"ג/ק"ג |
תכולת לחות |
9.9 |
|||
|
% |
גורם פיזור |
0.0274 |
|||
|
מ"ג/ק"ג |
ניתוח פוראן |
/ |
|||
|
/ |
ניתוח כרומטוגרפיה של גז |
/ |


04 אריזה ומשלוח


05 אתר וסיכום
בתעשיית החשמל המתפתחת במהירות של ימינו, השנאי התלת-פאזי המותקן על רפידות הפך למרכיב הכרחי במערכות חלוקת חשמל בשל הביצועים והאמינות יוצאי הדופן שלו. בין אם מדובר ביישומים למגורים, מסחריים או תעשייתיים, העיצוב הקומפקטי שלו, קלות התחזוקה והחוסן הסביבתי המצוין שלו הופכים אותו למסוגל לעמוד בדרישות כוח מורכבות שונות. הבחירה בשנאי התלת-פאזי המותקן על רפידות שלנו היא לא רק בחירה לפתרון כוח יעיל אלא גם מחויבות לבטיחות וקיימות. אנו מחויבים לספק ללקוחותינו מוצרים ושירותים יוצאי דופן, לעזור לך להשיג יתרונות מקסימליים במערכות חשמל מודרניות.

תגיות פופולריות: שנאי 300 kva כרית, יצרן, ספק, מחיר, עלות
You Might Also Like
300 kVA Green Box Transformer-12/0.12*0.24 kV|ג'מייק...
2500 kVA שנאי חשמל למגורים-34.5/0.6 kV|ארה"ב 2025
500 kVA Pad Mounted Transformer מחיר-22.86/0.208 kV|...
750 kVA Pad Mounted Transformer-13.2/0.48 kV|ארה"ב 2024
1000 kVA רפידת רפידה מותאמת בשמן-13.8/0.48 kV|ארה"ב ...
1000 kVA Pad Mount Transformer-13.8/0.46 kV|גיאנה 2025
שלח החקירה









